 |
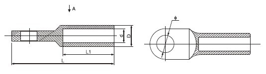
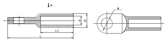
| SC(JGK),SC(JGA) Cable lug |
| Basic Data |
Type |
Dimensions(mm) |
Weight(kg) |
| ¦µf |
D |
d |
L |
| SC(JGK)-1.5 |
4.2, 5.2 |
3.5 |
1.8 |
18 |
0.0009 |
| SC(JGK)-2.5 |
4.2, 5.2, 6.2 |
4 |
2.5 |
19 |
0.0011 |
| SC(JGK)-4 |
5.2, 6.2 |
4.8 |
3.1 |
21 |
0.0015 |
| SC(JGK)-6 |
5.2, 6.2 |
5.5 |
3.8 |
24 |
0.0022 |
| SC(JGK)-10 |
6.2, 8.2 |
6.8 |
4.8 |
26 |
0.0028 |
| SC(JGK)-16 |
6.2, 8.2 |
7.5 |
5.5 |
30 |
0.0041 |
| SC(JGK)-25 |
6.2,8.2,10.5,12.5 |
9 |
7 |
34 |
0.0064 |
| SC(JGK)-35 |
8.2, 10.5, 12.5 |
10.5 |
8.2 |
38 |
0.0097 |
| SC(JGK)-50 |
8.2, 10.5, 12.5
|
12.5 |
9.8 |
45 |
0.0153 |
| SC(JGK)-70 |
10.5, 12.5 |
14.5 |
11.5 |
50 |
0.0240 |
| SC(JGK)-95 |
12.5, 16.5 |
17.5 |
13.8 |
55.5 |
0.0400 |
| SC(JGK)-120 |
12.5, 16.5 |
19.5 |
15.5 |
63 |
0.0558 |
| SC(JGK)-150 |
16.5 |
21 |
16.5 |
71 |
0.0762 |
| SC(JGK)-185 |
16.5 |
23.5 |
18.8 |
78 |
0.0980 |
| SC(JGK)-240 |
16.5, 20.5 |
26.5 |
21 |
92 |
0.1510 |
| SC(JGK)-300 |
16.5, 20.5 |
30 |
24 |
102 |
0.2530 |
| SC(JGK)-400 |
16.5, 20.5 |
34 |
26.5 |
113 |
0.3020 |
| SC(JGK)-500 |
16.5, 20.5 |
38 |
30 |
123 |
0.4200 |
| SC(JGK)-600 |
20.5 |
45 |
35 |
135 |
0.6560 |
| SC(JGK)-800 |
22.5 |
50 |
39 |
170 |
- |
| SC(JGK)-1000 |
22.5 |
56 |
40 |
200 |
- |
|